Пресс-масленка дюймовая 1/8" DIN 71412 form B угловая 45°, класс прочности 5.8
Цена
55 / шт руб.
Общая стоимость
55 руб.
Если планируете забирать товар самостоятельно, уточняйте наличие.
- Для подачи смазочных материалов в узлы трения механизмов и оборудования.
- Стандарт DIN 71412, пресс-масленка угловая, резьбовая.
- Форма B, с углом впускного конуса 45°.
- Удобство установки в труднодоступных местах за счет угловой конструкции.
- Защита от загрязнений и утечек благодаря шариковому запорному элементу.
- Коническая дюймовая резьба обеспечивает полную герметичность резьбового соединения.
- Сталь класса прочности 5.8 и закаленная головка гарантируют надежность и износостойкость.
- Защита от коррозии благодаря цинковому покрытию.
- Номинальный диаметр резьбы R 1/8" (Уитворта BSPT, угол профиля 55°).
- Длина резьбовой части 5,5 мм.
Пресс-масленка угловая (45°, форма B) с конической головкой шестигранная c резьбой 1/8" DIN 71412 – это специальное приспособление для эффективной подачи смазочного материала на узлы трения механического оборудования. Рекомендуется для точек смазки, которые требуют частого и надежного смазывания. Подходит для использования со всеми видами консистентной смазки. Благодаря своей универсальности она является наиболее распространенным типом угловых смазочных ниппелей в машиностроении и станкостроении.
Резьбовая масленка, известная также как тавотница, изготовлена из оцинкованной стали класса прочности 5.8, ее головка закалена до поверхностной твердости 550 HV во избежание преждевременного износа. Цинковое покрытие продлевает срок службы изделия в условиях негативного воздействия масел и влаги.
Особенности конструкции
- Тавотница угловая оснащена конической дюймовой резьбой R 1/8" по DIN 2999 с углом профиля 55° (BSPT), при установке в отверстия с цилиндрической резьбой G (BSPP) обеспечивается герметичное соединение.
- Ее головка с заправочным отверстием расположена под углом 45° к оси резьбовой части, что позволяет нагнетать масло («тавоту») в тех местах, где доступ к прямому смазочному ниппелю ограничен.
- Шаровой запорный элемент с пружиной защищает от загрязнений и утечек смазки.
- Квадратный корпус под рожковый ключ 11 мм упрощает монтаж и демонтаж масленки для смазки.
Принцип работы
Смазка впрыскивается шприцем под давлением через пресс-масленку внутрь механизма и именно туда, где она необходима, без разборки механизма. В головке фитинга имеется стальной подпружиненный шарик, работающий как обратный клапан, который открывается под давлением, создаваемым шприцем, и закрывается, предотвращая вытекание масла обратно.
- ГОСТ 19853-74
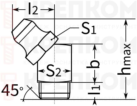
Размеры
| Размер | 1/8" |
| Шаг резьбы (количество ниток на дюйм) | 27 (0,94 мм) |
|
Высота h (max) |
21 мм |
| Высота резьбы l1 | 5,5 мм |
| Габаритный размер l2 | 10 мм |
| Высота корпуса b | 10 мм |
|
Размер под ключ s1 |
11 мм |
|
Размер квадрата под ключ s2 |
11 мм |
Размер не входит в официальный стандарт
Характеристики
-
DIN71412
-
ГОСТ19853-74
-
Единицы измеренияшт
-
Артикул71412 18 B
-
МатериалСталь
руб.
руб.
руб.
Если планируете забирать товар самостоятельно, уточняйте наличие.
руб.
Если планируете забирать товар самостоятельно, уточняйте наличие.
руб.
руб.
руб.
Если планируете забирать товар самостоятельно, уточняйте наличие.
руб.
Если планируете забирать товар самостоятельно, уточняйте наличие.
руб.
Если планируете забирать товар самостоятельно, уточняйте наличие.
руб.
Если планируете забирать товар самостоятельно, уточняйте наличие.
руб.
Если планируете забирать товар самостоятельно, уточняйте наличие.
руб.
Если планируете забирать товар самостоятельно, уточняйте наличие.
руб.
Если планируете забирать товар самостоятельно, уточняйте наличие.
руб.
Если планируете забирать товар самостоятельно, уточняйте наличие.
руб.
Если планируете забирать товар самостоятельно, уточняйте наличие.
руб.
Если планируете забирать товар самостоятельно, уточняйте наличие.
руб.
Если планируете забирать товар самостоятельно, уточняйте наличие.
руб.
Если планируете забирать товар самостоятельно, уточняйте наличие.
руб.
Если планируете забирать товар самостоятельно, уточняйте наличие.
руб.
Если планируете забирать товар самостоятельно, уточняйте наличие.
руб.
Если планируете забирать товар самостоятельно, уточняйте наличие.
руб.
Если планируете забирать товар самостоятельно, уточняйте наличие.
руб.
Если планируете забирать товар самостоятельно, уточняйте наличие.
руб.
Если планируете забирать товар самостоятельно, уточняйте наличие.
руб.
Если планируете забирать товар самостоятельно, уточняйте наличие.
руб.
Если планируете забирать товар самостоятельно, уточняйте наличие.
руб.
Если планируете забирать товар самостоятельно, уточняйте наличие.
руб.
Если планируете забирать товар самостоятельно, уточняйте наличие.
руб.
Если планируете забирать товар самостоятельно, уточняйте наличие.
руб.
Если планируете забирать товар самостоятельно, уточняйте наличие.
руб.
Если планируете забирать товар самостоятельно, уточняйте наличие.
руб.
Если планируете забирать товар самостоятельно, уточняйте наличие.
руб.
Если планируете забирать товар самостоятельно, уточняйте наличие.
руб.
Если планируете забирать товар самостоятельно, уточняйте наличие.
руб.
Если планируете забирать товар самостоятельно, уточняйте наличие.
руб.
Если планируете забирать товар самостоятельно, уточняйте наличие.
руб.
Если планируете забирать товар самостоятельно, уточняйте наличие.
руб.
Если планируете забирать товар самостоятельно, уточняйте наличие.
руб.
Если планируете забирать товар самостоятельно, уточняйте наличие.
руб.
Если планируете забирать товар самостоятельно, уточняйте наличие.
руб.
Если планируете забирать товар самостоятельно, уточняйте наличие.
руб.
Если планируете забирать товар самостоятельно, уточняйте наличие.
руб.
Если планируете забирать товар самостоятельно, уточняйте наличие.
Внешний вид товара может отличаться от представленного на изображении